产品特点
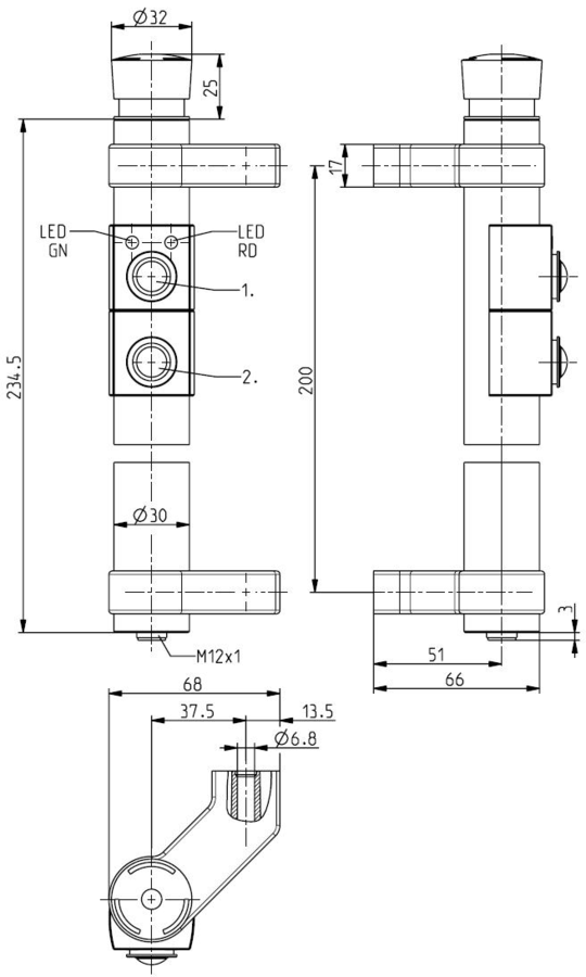
铝握把,银色亚光电镀
寿命长
选型用于左铰链门
紧急停止按钮依据EN 60947-5-5:2-通道 A
第一个按钮:授权按钮:单断开切换触点
绿色和红色LED
第二个按钮:启动按钮:1个常开触点
带有接插件连接器M12 x 1, 12-针
订购包含颜色(蓝色、红色、绿色)
技术参数
常规技术参数
适用标准
EN 60947-5-1, EN 60947-5-5
外壳
铝, 阳极电镀, 银色亚光电镀
防护等级
在安装位置: IP54 (IEC/EN 60529)
可靠性数据 B10d (10 % load)
100 000
TM
max. 20 years
连接类型
连接器 M12 x 1, 12-针
额定工作电压/电流 Ie/Ue
0.5 A/24 VDC; LEDs: 10 mA/24 VDC
额定绝缘电压 Ui
30 VDC
防污等级
3
机械寿命
> 50 000 操作次数
环境温度
–25 °C … +55 °C
重量
500 g
下载专区
Loading...











































