产品特点
热塑性塑料外壳
安装标准依据EN 50047
sWave®无线技术
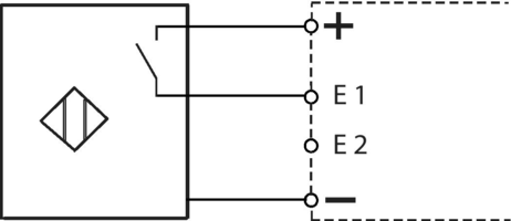
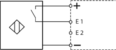
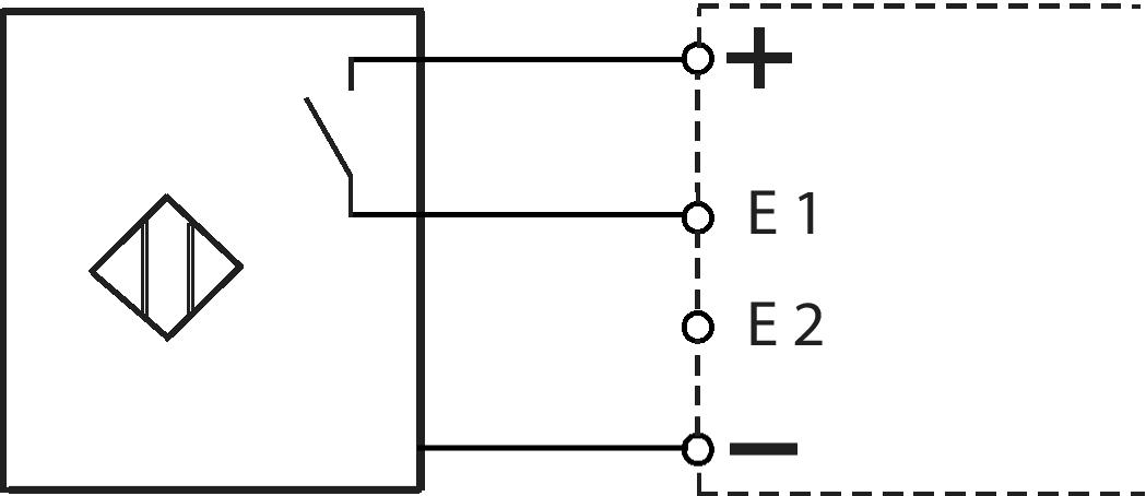
外部电源通过M12接插件连接器连接
可与3线PNP输出的24VDC传感器、外接传感器或常开触点(金)开关组合使用
电源: 24 VDC
接收器易于编程
在接收器输出信号可单独配置
LBT - “先听后说”固件
技术参数
常规技术参数
适用标准
EN 60947-5-1, EN 61000-6-2, EN 61000-6-3, EN 61000-4-4, EN 61000-4-5, EN 61000-4-6, EN 301 489-1, EN 301 489-3, EN 300 220-1, EN 300 220-2
外壳
热塑性塑料, 增强型玻璃纤维, 抗冲击, 自熄性 UL 94 V-0
拧紧力矩
M4 安装螺丝外壳: max. 1.2 Nm
M2.5 螺丝盖: 约0.45 Nm
防护等级
IP67 (IEC/EN 60529), 仅限连接电缆插头
电源
24 VDC
连接类型
接插件连接器 M12 x 1, 4-针,A-可编码
环境温度
–20 °C … +65 °C
电报频率
1440次重复报文/小时
开关频率
max. 5 Hz
额定工作电压范围 UB
10 … 30 VDC Pin 1 和 Pin 3 接插件连接器 M12
额定绝缘电压 Ui
75 VDC
额定冲击耐受电压 Uimp
0.5 kV
额定工作电流 Ie
2.5 mA
待机电流
15 µA(如果传感器未连接)
电压降Ue - Ua
1.5 V
负载电流
max. 100 mA
开关点
> 5 VDC (E1, E2)
操作时间
min. 80 ms
产品认证
日本: ? ARIB STD-T108: 204-610002
注释
状态信号 - 可通过无线接收器单独配置(出厂状态:无状态信号)
LBT - 可通过无线接收器停用(例如与中继器配合使用)
电池电压和开关状态传输
请访问我们不同无线接收器的页面,以便查找相应的操作视频.
重量
90 g
无线技术
协议
sWave®
频率
916.5 MHz (日本)
传输电源
< 1 mW
数据速率
66 kbps
信道带宽
520 kHz
无线范围
室外150 m, 室内20 m
调制原理
2-FSK
下载专区
Loading...











































