技术参数
常规技术参数
适用标准
EN 60947-5-1, EN 61000-6-2, EN 61000-6-3, EN 61000-4-4, EN 61000-4-5, EN 61000-4-6, EN 301 489-1, EN 301 489-3, EN 300 220-1, EN 300 220-2
外壳
热塑性塑料, 增强型玻璃纤维, 抗冲击, 自熄性 UL 94 V-0
拧紧力矩
M4 安装螺丝外壳: max. 1.2 Nm
M2.5 螺丝盖: 约0.45 Nm
防护等级
IP67 (IEC/EN 60529), 仅限连接电缆插头
电源
24 VDC
连接类型
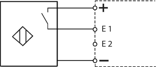
接插件连接器 M12 x 1, 4-针,A-可编码
环境温度
–20 °C … +65 °C
开关频率
max. 5 Hz
额定工作电压范围 UB
10 … 30 VDC Pin 1 和 Pin 3 接插件连接器 M12
额定绝缘电压 Ui
75 VDC
额定冲击耐受电压 Uimp
0.5 kV
额定工作电流 Ie
2.5 mA
待机电流
15 µA(如果传感器未连接)
电压降Ue - Uout
1.5 V
负载电流
max. 100 mA
开关点
> 5 VDC (E1, E2)
操作时间
min. 80 ms
产品认证
欧洲: RED 2014/53/EU
注释
状态信号 - 可通过无线接收器单独配置(出厂状态:无状态信号)
LBT - 可通过无线接收器停用(例如与中继器配合使用)
电池电压和开关状态传输
请访问我们不同无线接收器的页面,以便查找相应的操作视频.
重量
91 g
无线技术
协议
sWave®
频率
868.3 MHz (欧洲)
传输电源
< 25 mW
数据速率
66 kbps
信道带宽
350 kHz
无线范围
室外max. 450 m, 室内max. 40 m
调制原理
2-FSK
下载专区
Loading...






































