Accessories for Ex AZM 415 / Ex AZP 415
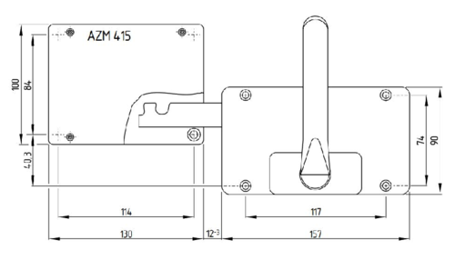
Actuator AZM 415-B30-07
Article no.: 1172019Old article no.: 01.08.0184
Product features
Suitable for all guard types
Hinge radius not to be observed
No further handles/levers required on the guard
Latching actuating handle
Shearing force 25,000 N
Lockout tag SZ 415-1 or SZ 415-2 available to prevent unintentional closing
For door thickness max. 100 mm
For mounting screws M6
Notes
Door hinge on right-hand side.
Actuator mounted outside, see yellow marking in drawing.
Downloads
Accessories for Ex AZM 415 / Ex AZP 415
Actuator AZM 415-B30-07Article no.: 1172019Old article no.: 01.08.0184

































